CH-SD S型传感器
编号:10497
查看:
发布:2022-05-20
产品名称:CH-SDS型传感器产品特点:CH-SD采用优质合金钢材质,具有高精度,高稳定性,低外形,安装简便、快速等特点。适用于试验机、配料秤、搅拌站、皮带秤和包装秤等,多做拉力使用,也可压用。量程:500N(5
编号:10497
查看:
发布:2022-05-20
产品名称:CH-SDS型传感器产品特点:CH-SD采用优质合金钢材质,具有高精度,高稳定性,低外形,安装简便、快速等特点。适用于试验机、配料秤、搅拌站、皮带秤和包装秤等,多做拉力使用,也可压用。量程:500N(5
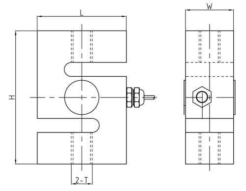
产品名称:CH-SD S型传感器
产品特点:CH-SD采用优质合金钢材质,具有高精度,高稳定性,低外形,安装简便、快速等特点。适用于试验机、配料秤、搅拌站、皮带秤和包装秤等,多做拉力使用,也可压用。
量程:500N(50kg)、1kN(100kg)、2kN(200kg)、3kN(300kg)、5kN(500kg)、10 kN(1t)、2 0kN(2t)、30 kN(3t)、50 kN(5t)
外形尺寸:

技术参数:
| ||||||||||||||||||||||||||||||||||||
| ||||||||||||||||||||||||||||||||||||