CH-SAL S型传感器
编号:10501
查看:
发布:2022-05-20
产品名称:CH-SALS型传感器产品特点:CH-SAL采用优质铝合金材质,具有高精度,高稳定性,低外形,安装简便、快速等特点。适用于试验机、配料秤、搅拌站、皮带秤和包装秤等,多做拉力使用,也可压用。量程:50N
编号:10501
查看:
发布:2022-05-20
产品名称:CH-SALS型传感器产品特点:CH-SAL采用优质铝合金材质,具有高精度,高稳定性,低外形,安装简便、快速等特点。适用于试验机、配料秤、搅拌站、皮带秤和包装秤等,多做拉力使用,也可压用。量程:50N
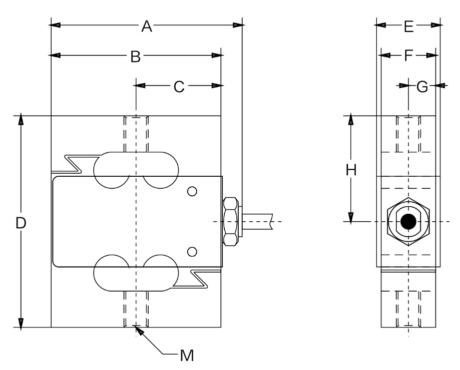
产品名称:CH-SAL S型传感器
产品特点:CH-SAL 采用优质铝合金材质,具有高精度,高稳定性,低外形,安装简便、快速等特点。适用于试验机、配料秤、搅拌站、皮带秤和包装秤等,多做拉力使用,也可压用。
量程:50N(5kg)、100N(10kg)、200N(20kg)、500N(50kg)、1000N(100kg)
外形尺寸:

技术参数:
| ||||||||||||||||||||||||||||||||||||