TQ-M1微型称重传感器
编号:10147
查看:
发布:2022-03-11
TQ-M1微型称重传感器外型小巧,安装方便。 TQ-M1微型称重传感器适用于空间有限的压式测力场合。
编号:10147
查看:
发布:2022-03-11
TQ-M1微型称重传感器外型小巧,安装方便。 TQ-M1微型称重传感器适用于空间有限的压式测力场合。
产品特点:TQ-M1微型称重传感器外型小巧,安装方便。
产品用途:TQ-M1微型称重传感器适用于空间有限的压式测力场合。
量程:0.1kN(10kg)、0.2kN(20kg)、0.3kN(30kg)、0.5kN(50kg)、
1kN(100kg)、2kN(200kg)、3kN(300kg)、5kN(500kg)、
10kN(1000kg)、20kN(2000kg)
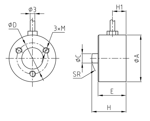
技术参数及外形尺寸:
序号 | 产品技术参数 | |
1 | 额定载荷 | 100,200,300,500(N); 1,2,3,5,10,20(kN) |
2 | 综合精度 | 0.1-0.5%F.S |
3 | 灵敏度 | 1.0-1.5mV/V |
4 | 蠕变/30分钟 | ±0.5%F.S/30min |
5 | 零点输出 | ±1%F.S |
6 | 零点温度影响 | ±0.5%F.S/10℃ |
7 | 输出温度影响 | ±0.5%F.S/10℃ |
8 | 输入阻抗 | 350±20Ω |
9 | 输出阻抗 | 350±3Ω |
10 | 绝缘阻抗 | >5000MΩ |
11 | 工作温度 | -10~65℃ |
12 | 安全过载 | 150%F.S |
13 | 激励电压 | 10VDC |
14 | 材质 | 不锈钢 |
15 | 接线方式 | 红……E+(输入正) 黑……E-(输入负) 绿……S+(输出正) 白……S-(输出负) |

型号 | 量程(kN) | 量程(kg) | ΦA | ΦC | ΦD | H | E | M | H1 | SR |
TQ-M1 | 0.1-2 | 10-200 | 20 | 2.5 | 15.5 | 12 | 10 | M3 | 3.5 | 6 |
3-10 | 300-1000 | 26 | 5 | 18.5 | 15 | 11.5 | M4 | 3.5 | 6 | |
20 | 2000 | 30 | 6 | 20 | 18 | 14 | M4 | 3.5 | 15 |
图片与实物略有差异,以实物为准 / 济南泰钦保留随时更改、撤消产品型号、规格的权利,恕不另行通知