CH-LP6G单点式称重传感器
编号:10409
查看:
发布:2022-05-20
CH-LP6G钢制单点式称重传感器为单点承载结构,产品结构形式简单,使用方便。适用于皮带秤等力量测量设备。量程:1kN(100kg)、2kN(200kg)、3kN(300kg)外形尺寸:CH-LP
编号:10409
查看:
发布:2022-05-20
CH-LP6G钢制单点式称重传感器为单点承载结构,产品结构形式简单,使用方便。适用于皮带秤等力量测量设备。量程:1kN(100kg)、2kN(200kg)、3kN(300kg)外形尺寸:CH-LP
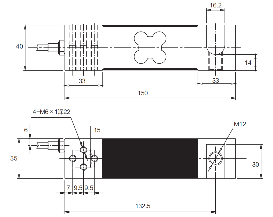
产品名称:CH-LP6G单点式称重传感器
产品特点:CH-LP6G钢制单点式称重传感器为单点承载结构,产品结构形式简单,使用方便。适用于皮带秤等力量测量设备。
量程:1 kN(100kg)、2 kN(200kg)、3 kN(300kg)
外形尺寸:

CH-LP6G技术参数 | |||
额定输出 | 2.0mV/V±10% | 输入阻抗 | 410±15Ω |
非线性 | ±0.02%F.S | 输出阻抗 | 350±5Ω |
滞后性 | <±0.02%F.S | 绝缘电阻 | ≥5000MΩ |
重复性 | <±0.02%F.S | 允许激励电压 | 5~15V/DC |
蠕变 | <±0.02%F.S/30min | 补偿温度范围 | -10℃~+40℃ |
零点温度影响 | <±0.02%/10℃ | 工作温度范围 | -30℃~+70℃ |
输出温度影响 | <±0.02%/10℃ | 安全过载 | 150%F.S |
零点平衡 | <±1%F.S | 极限过载 | 200%F.S |
接线方式 | 激励:+红 -黑 信号:+绿 -白 屏蔽:黄 | ||