TQ-A8方S型拉压称重传感器
编号:10240
查看:
发布:2021-08-10
TQ-A8方S型拉压传感器承受拉、压外力均可,输出对称性好,结构紧凑、安装方便、规格齐全。 TQ-A8方S型拉压传感器适用于制造机电结合秤、吊钩秤、料斗秤及各种专用秤、工艺秤等。
编号:10240
查看:
发布:2021-08-10
TQ-A8方S型拉压传感器承受拉、压外力均可,输出对称性好,结构紧凑、安装方便、规格齐全。 TQ-A8方S型拉压传感器适用于制造机电结合秤、吊钩秤、料斗秤及各种专用秤、工艺秤等。
产品特点:TQ-A8方S型拉压传感器承受拉、压外力均可,输出对称性好,结构紧凑、安装方便、规格齐全。
产品用途:TQ-A8方S型拉压传感器适用于制造机电结合秤、吊钩秤、料斗秤及各种专用秤、工艺秤等。
量程:500N(50kg)、 1 kN(100kg)、2 kN(200kg)、3 kN(300kg)、5 kN(500kg)、10 kN(1t)、15KN(1.5t) 、20 kN(2t)、30 kN(3t)、50 kN(5t)
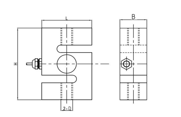
技术参数及外形尺寸:
序号 | 产品技术参数 | |
1 | 额定载荷 | 50kg-5t |
2 | 灵敏度 | ≥2.0mV/V |
3 | 综合精度 | ≤0.05%F.S |
4 | 非线性 | ≤0.2%F.S |
5 | 重复性 | ≤0.2%F.S |
6 | 滞后 | ≤0.2%F.S |
7 | 输入电阻 | 350Ω±10Ω |
8 | 输出电阻 | 350Ω±2 |
9 | 零点温度系数 | ±0.03%F.S/10°C |
10 | 绝缘电阻 | ≥5000MΩ |
11 | 激励电压 | 10-12VDC |
12 | 工作温度范围 | -10°C~+70°C |
13 | 允许过负荷 | 150%F.S |
14 | 接线方式 | 红……E+(输入正) 黑……E-(输入负) 绿……S+(输出正) 白……S-(输出负) |


图片与实物略有差异,以实物为准 / 济南泰钦保留随时更改、撤消产品型号、规格的权利,恕不另行通知