风韵论坛_杭州各区桑拿419论坛_老九品茶楼凤楼论坛官网


TQ-H3柱式称重传感器

编号:10129
查看:
发布:2020-07-30

TQ-H3柱式称重传感器量程范围广,抗过载能力强。 TQ-H3柱式称重传感器广泛应用于医药化工、煤炭冶金、电子汽车衡、轨道衡、仓储秤、料罐等大吨位的测量。 


拨打电话
Call
在线咨询
Service




产品特点:TQ-H3柱式称重传感器量程范围广,抗过载能力强。

产品用途:TQ-H3柱式称重传感器广泛应用于医药化工、煤炭冶金、电子汽车衡、轨道衡、仓储秤、料罐等大吨位的测量。

量程:100kN(10t)、200kN(20t)、300kN(30t)、500kN(50t)、1000kN(100t)、2000kN(200t)

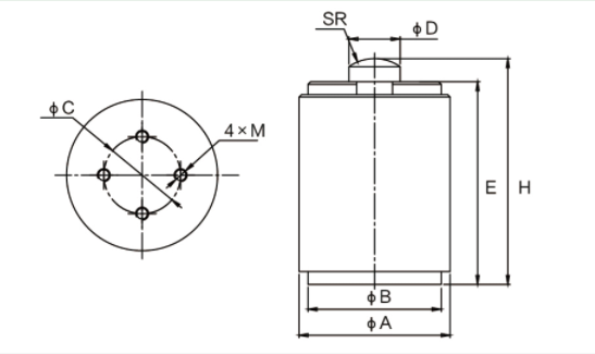
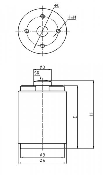
技术参数及外形尺寸:

序号

产品技术参数

1

额定载荷

10-200t

2

综合精度

0.05%F.S

3

灵敏度

2.0mV/V

4

零点输出

≤0.1%F.S

5

输入阻抗

380±10Ω

6

输出阻抗

351±3Ω

7

绝缘阻抗

≥5000MΩ

8

补偿温度范围

-10~40℃

9

适用温度范围

-30~70℃

10

安全过载

150%F.S

11

极限过载

300%F.S

12

材质

合金钢

13

激励电压

10V(DC)

14

密封等级

IP67/IP68

15

电缆

5m

16

接线方式

红……E+(输入正)

黑……E-(输入负)

绿……S+(输出正)

白……S-(输出负)








型号

量程(kN)

量程(t)

A

B

C

H

E

M

SR

D

TQ-H3

100

10

86

78

56

130

120

M8

85

32

200-300

20-30

86

78

56

140

129

M10

200

40

500

50

100

92

68

150

133

M12

350

80

1000

100

107

98

68

170

156

M16

500

80

2000

200

158

148

100

220

201

M16

1000

120


图片与实物略有差异,以实物为准 / 济南泰钦保留随时更改、撤消产品型号、规格的权利,恕不另行通知 




主站蜘蛛池模板: 马公市| 阳高县| 保山市| 沂水县| 宜兴市| 安顺市| 馆陶县| 沈阳市| 隆回县| 三河市| 伽师县| 成安县| 曲靖市| 墨玉县| 彭州市| 汉川市| 陆川县| 桃园县| 黑河市| 寿宁县| 西林县| 兴业县| 新安县| 昆山市| 泊头市| 观塘区| 梧州市| 澄迈县| 巴楚县| 治多县| 玛纳斯县| 宝山区| 民乐县| 莱芜市| 布尔津县| 苏尼特右旗| 兴义市| 汶上县| 安阳市| 尚义县| 景宁|