TQ-G3悬臂梁式称重传感器
编号:10125
查看:
发布:2022-10-09
TQ-G3悬臂梁式称重传感器采用优质合金钢,激光焊接密封,防护等 级IP68。安装高度低,长期稳定性好,结构紧凑,防爆性能高。 TQ-G3悬臂梁式称重传感器适用于地上衡、化工、食品、医药等行业配料称重控制
编号:10125
查看:
发布:2022-10-09
TQ-G3悬臂梁式称重传感器采用优质合金钢,激光焊接密封,防护等 级IP68。安装高度低,长期稳定性好,结构紧凑,防爆性能高。 TQ-G3悬臂梁式称重传感器适用于地上衡、化工、食品、医药等行业配料称重控制
序号 | 产品技术参数 | |
1 | 额定载荷 | 0.25-5t |
2 | 综合精度 | ≤0.05%F.S |
3 | 灵敏度 | 2.0mV/V |
4 | 输入阻抗 | 385±15Ω |
5 | 输出阻抗 | 351±3Ω |
6 | 绝缘阻抗 | ≥5000MΩ |
7 | 补偿温度范围 | -10~40℃ |
8 | 适用温度范围 | -30~70℃ |
9 | 安全过载 | 150%F.S |
10 | 极限过载 | 300%F.S |
11 | 密封等级 | IP68 |
12 | 材质 | 合金钢 |
13 | 激励电压 | 10V(DC/AC) |
14 | 接线方式 | 绿……E+(输入正) 黑……E-(输入负) 白……S+(输出正) 红……S-(输出负) |

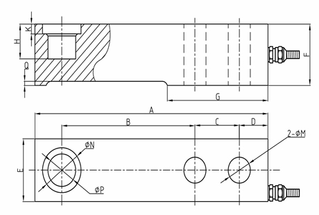
型号 | 量程(kN) | 量程(t) | A | B | C | D | E | F | G | H | K | M | N | P | Q |
TQ-G3 | 2.5-10 | 0.25-1 | 133.4 | 76.2 | 25.4 | 16.4 | 30.7 | 30 | 57.9 | 17 | 4.8 | 12.7 | 22 | 15.9 | 0.38 |
20 | 2 | 136.7 | 76.2 | 25.4 | 16.7 | 36.8 | 36.6 | 57.9 | 23 | 9.5 | 12.7 | 22 | 15.9 | 0 | |
30 | 3 | 139.7 | 79.2 | 25.4 | 16.7 | 39 | 36.6 | 57.9 | 23 | 9.5 | 15 | 22 | 15.9 | 0 | |
50 | 5 | 171.5 | 95.2 | 38.1 | 16.7 | 42.9 | 43 | 73.8 | 29.4 | 11 | 19 | 34.9 | 22.2 | 0 |
图片与实物略有差异,以实物为准 / 济南泰钦保留随时更改、撤消产品型号、规格的权利,恕不另行通知