TQ-1N方座式轮辐式测力传感器(方底螺纹)
编号:10269
查看:
发布:2021-08-05
TQ-1N方座式轮辐式测力传感器高度低,钢性好,精度高,抗偏载能力强。 TQ-1N方座轮辐式测力传感器适用于皮带秤,料斗秤,仓储秤,料罐,材料力学试验机,劳保安全检测设备等。
编号:10269
查看:
发布:2021-08-05
TQ-1N方座式轮辐式测力传感器高度低,钢性好,精度高,抗偏载能力强。 TQ-1N方座轮辐式测力传感器适用于皮带秤,料斗秤,仓储秤,料罐,材料力学试验机,劳保安全检测设备等。
TQ-1N方座式轮辐式测力传感器(方底螺纹)
产品特点:TQ-1N方座式轮辐式测力传感器高度低,钢性好,精度高,抗偏载能力强。
产品用途:TQ-1N方座轮辐式测力传感器适用于皮带秤,料斗秤,仓储秤,料罐,材料力学试验机,劳保安全检测设备等。
量程:2kN(200kg)、5kN(500kg)、10kN(1t)、20kN(2t)、50 kN(5t)、70 kN(7t)、100 kN(10t)、120 kN(12t)、150 kN(15t)、200 kN(20t) 、250 kN(25t)、300 kN(30t)
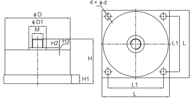
技术参数及外形尺寸:
序号 | 产品技术参数 | |
1 | 额定载荷 | 2kN-300kN |
2 | 综合精度 | 0.05/0.1%F.S |
3 | 灵敏度 | 1.5-2.0mV/V |
4 | 非线性 | ≦0.05/0.1%F.S |
5 | 重复性 | ≦0.05%F.S |
6 | 滞后 | ≦0.05/0.1%F.S |
7 | 输入阻抗 | 380Ω或760Ω |
8 | 输出阻抗 | 350Ω或700Ω |
9 | 绝缘阻抗 | ≥2000MΩ |
10 | 零点温度影响 | <0.05%F.S/10℃ |
11 | 输出温度影响 | <0.05%F.S/10℃ |
12 | 适用温度范围 | -30~70℃ |
13 | 安全过载 | 120%F.S |
14 | 激励电压 | 10V(DC/AC) |
15 | 接线方式 | 红……E+(输入正) 黑……E-(输入负) 绿……S+(输出正) 白……S-(输出负) |


图片与实物略有差异,以实物为准 / 济南泰钦保留随时更改、撤消产品型号、规格的权利,恕不另行通知