产品特点:TQ-1C键槽轮辐式测力传感器采用低截面设计的传感器,是为试验机专门设计的拉压两用传感器
产品用途:TQ-1C键槽轮辐式测力传感器可满足不同精度试验的要求,同时也可用作各种力量测量。
量程:5 kN(500kg)、10 kN(1t)、20 kN(2t)、50 kN(5t)、100 kN(10t)、200 kN(20t)、250 kN(25t)、300 kN(30t)
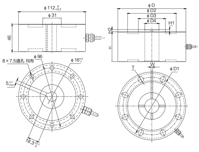
技术参数及外形尺寸:
序号 产品技术参数 1 额定载荷 5 kN-300 kN 2 综合精度 0.05%F.S 3 灵敏度 2.0mV/V 4 蠕变 ±0.05%F.S/30min 5 零点输出 ±1%F.S 6 输入阻抗 387±10Ω 7 输出阻抗 350±3Ω 8 绝缘阻抗 ≥5000MΩ 9 输出温度影响 <0.03%F.S/10℃ 10 零点温度影响 <0.03%F.S/10℃ 11 推荐激励电压 10V(DC/AC) 13 工作温度范围 -20~70℃ 14 安全过载 150%F.S 15 材质 优质合金钢 16 接线方式 红……E+(电源正) 黑……E-(电源负) 绿……S+(信号正) 白……S-(信号负)

量程(t) D D1 D2 D3 D4 H H1 H2 W T 5t-10t ?130 ?105 ?84 ?48 ?32 55 6 6 4×5 8×Φ14 20t-30t ?182 ?154 ?130 ?72 ?39 80 6 6 4×5 8×Φ15
图片与实物略有差异,以实物为准 / 济南泰钦保留随时更改、撤消产品型号、规格的权利,恕不另行通知