CH-1B轮辐式测力传感器
编号:10396
查看:
发布:2022-05-20
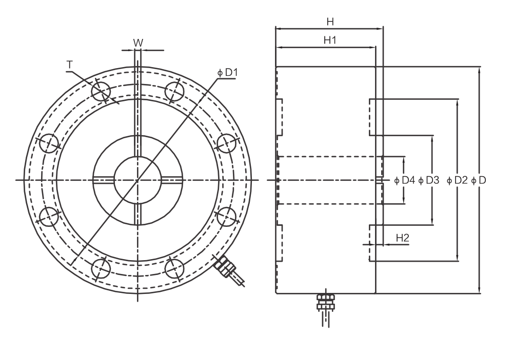
产品名称:CH-1B轮辐式测力传感器产品特点:CH-1B轮辐式测力传感器采用优质不锈钢材质,具有高精度,高稳定性,低外形,安装简便、快速等特点。适用于试验机。量程:500kg,1t,2t,5t,10t外形尺寸:量程(kN
编号:10396
查看:
发布:2022-05-20
产品名称:CH-1B轮辐式测力传感器产品特点:CH-1B轮辐式测力传感器采用优质不锈钢材质,具有高精度,高稳定性,低外形,安装简便、快速等特点。适用于试验机。量程:500kg,1t,2t,5t,10t外形尺寸:量程(kN
产品名称:CH-1B轮辐式测力传感器
产品特点:CH-1B轮辐式测力传感器采用优质不锈钢材质,具有高精度,高稳定性,低外形,安装简便、快速等特点。适用于试验机。
量程:500kg,1t,2t,5t,10t
外形尺寸:

技术参数:
技术参数 额定输出 2.0mV/V±0.002 输入阻抗 385±10Ω 非线性 ±0.05%F.S 输出阻抗 351±3Ω 滞后性 <±0.05%F.S 绝缘电阻 ≥5000MΩ 重复性 <±0.05%F.S 允许激励电压 5~15V/DC 蠕变 <±0.05%F.S/30min 补偿温度范围 -10℃~+40℃ 零点温度影响 <±0.03%/10℃ 工作温度范围 -30℃~+70℃ 输出温度影响 <±0.03%/10℃ 安全过载 150%F.S 零点平衡 <±1%F.S 极限过载 300%F.S 接线方式 激励:+红 -黑 信号:+绿 -白 屏蔽:黄粗 | ||||||||||||||||||||||||||||||||||||||||