CH-SJTT轮辐式测力传感器
编号:10392
查看:
发布:2022-05-20
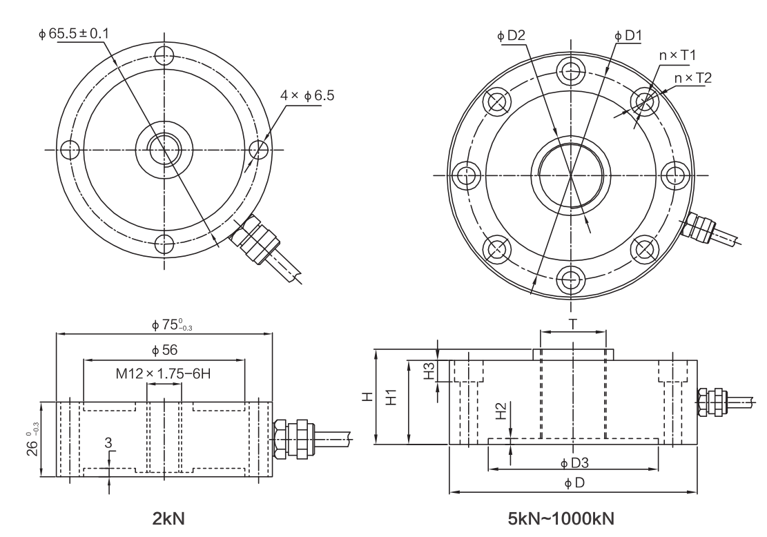
CH-SJTT轮辐式测力传感器采用优质不锈钢材质或优质铝合金材质(200kg),具有高精度,高稳定性,低外形,安装简便、快速等特点。适用于试验机,可做拉压双向使用。
编号:10392
查看:
发布:2022-05-20
CH-SJTT轮辐式测力传感器采用优质不锈钢材质或优质铝合金材质(200kg),具有高精度,高稳定性,低外形,安装简便、快速等特点。适用于试验机,可做拉压双向使用。
产品名称:CH-SJTT轮辐式测力传感器
产品特点:CH-SJTT轮辐式测力传感器采用优质不锈钢材质或优质铝合金材质(200kg),具有高精度,高稳定性,低外形,安装简便、快速等特点。适用于试验机,可做拉压双向使用。
量程:2kN(200kg)、5kN(500kg)、10 kN(1t)、15 kN(1.5t)、20 kN(2t)、25 kN(2.5t)、30 kN(3t)、50 kN(5t)、100 kN(10t)、200 kN(20t)、300 kN(30t)、500kN(50t)、1000kN(100t).
外形尺寸:

技术参数: | ||||||||||||||||||||||||||||||||||||||||
| ||||||||||||||||||||||||||||||||||||||||
| ||||||||||||||||||||||||||||||||||||||||